<span id="49snh"><em id="49snh"><dl id="49snh"></dl></em></span>
  • <sub id="49snh"><rt id="49snh"><form id="49snh"></form></rt></sub>
      1. 91在线小视频,奇骏影院在线观看免费版,另类av,婷婷五月色,婷婷久久久久,欧美人妖性爱,91在线小视频,老司机精品网
        海外社媒推廣
        模具
        達克羅涂覆
        專業設備賣場
        表面處理
        鉚釘
        螺母
        螺栓
        墊圈,擋圈
        展會信息

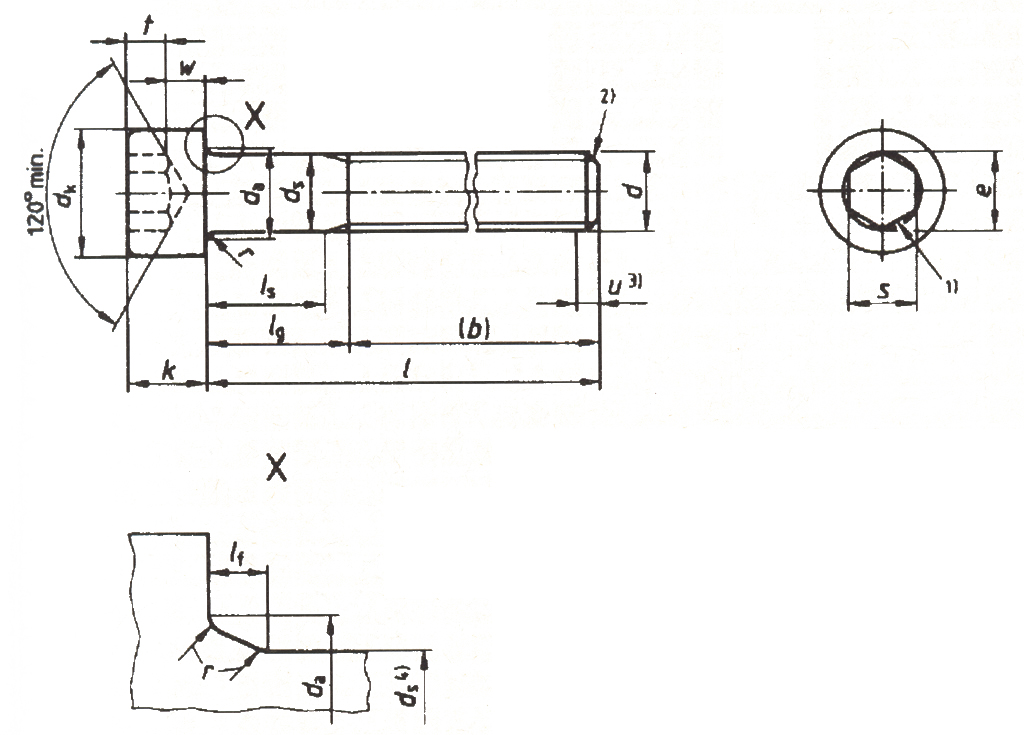
        DIN EN ISO 4762

        圓柱頭內六角螺釘(ISO 4762:1997

        Hexagon socket head cap screws(ISO 4762:1997)
        代替 DIN 912
        產品相關供貨商

        告訴我在“金蜘蛛”看到,將給您優惠

        上海集優標五高強度緊固件有限公司
        人氣1年
        人氣1年
        ·可提供8萬余種緊固件,常備庫存超1萬噸,年銷售100億件。 ·可提供包括國標、歐標、美標、澳標和日標等各類標準的產品。 ·可提供從栓、帽、墊到釘、銷、鍵等11個大類的緊固件產品。 ·可提...
        地區:靜安 電話: 021-63177707-1534 ; 0...
        浙江廣全標準件有限公司
        人氣1年
        人氣1年
        碳鋼組合螺絲、SUS304不銹鋼組合螺絲、高強度組合螺絲、GB6560三角牙螺絲...
        地區:溫州 電話: 18606638989
        上海亙瑞實業有限公司
        人氣1年
        人氣1年
        我們的主要產品: 1.螺栓:圓頭方頸螺栓、六角螺栓、內六角頭螺栓、法蘭螺栓 2.螺紋桿:全螺紋桿、雙頭螺栓、雙頭螺栓; 3.螺母:六角螺母、法蘭螺母、重型六角螺母、方螺母、三通螺母、翼形螺母; ...
        地區:靜安 電話: 021-63595065
        溫州邦信緊固件有限公司
        人氣1年
        人氣1年
        本公司擁有多臺全自動冷鐓成型機, 四模四沖冷鐓機 ; 五模五沖冷鐓機 ; 六模六沖冷鐓機 。專業生產訂制各類非標緊固件, 如,英美標大平頭馬車螺栓,訂制款組合螺絲, 法蘭自攻釘, 花型槽螺釘...
        地區:溫州 電話: 0577-86500868,1398970...
        上海勁爍實業有限公司
        人氣1年
        人氣1年
        公司專業經營DIN、BS、ANSI、JIS等標準緊固件及異型緊固件。產品范圍:各種螺栓、螺釘、螺母、墊圈、纖維板螺釘、干壁釘、家具螺絲、自鉆自攻釘、木螺釘、自攻螺釘等。產品材料:碳鋼、合金鋼、不銹鋼等...
        地區:上海 電話: 021-57733852
        寧波市通納機械科技有限公司
        人氣1年
        人氣1年
        車輪螺帽及帽罩,法蘭栓、法蘭面螺母; 外六角頭螺栓、螺絲類; 內六角圓柱頭螺釘、自攻釘、六角螺母、錨固螺栓類及大規格、超長度、異型件、特殊材料等花色緊固件類。 德制DIN、英制BS、美制AN...
        地區:寧波 電話: 0574-88915038/0574-88...
        北京鑫天云緊固件有限公司
        人氣1年
        人氣1年
        專業緊固件生產基地;各種材質的標準及非標緊固件。螺栓 螺柱 螺母 螺釘 墊圈 木螺釘 自攻釘 銷 鉚釘 擋圈 焊釘 鋼絲螺套; 六角法蘭螺栓及螺母、圓頭內六、平頭內六角、鋼結構用大六角及扭剪系列、尼龍...
        地區:北京 電話: 010-13901189990 1390...
        永年縣天邦緊固件有限公司
        人氣1年
        人氣1年
        螺栓,螺母,平墊,彈墊,牙條,地腳,預埋件,車修,膨脹類產品
        地區:永年 電話: 186-31091188
        大洋緊固件有限公司
        人氣1年
        人氣1年
        六角螺栓 六角頭螺絲 六角螺母 馬車螺栓 六角木螺絲 螺栓 牙條 沖壓六角螺母 平墊圈及鎖緊彈簧墊片 ...
        地區:寧波 電話: 0574-89020185 890201...
        申海達實業有限公司
        人氣1年
        人氣1年
        六角螺栓 馬車螺栓 蝶形螺母 木螺釘 膨脹螺絲 墊圈
        地區:上海 電話: 021-58903118
        業務聯系/技術支持
        公司名稱:廣東金蜘蛛電腦網絡有限公司
        聯系電話:020-38861363 38861343
        電子郵箱:info@jzzfastener.com
        QQ:1767548327
        公眾號:
        視頻號:
        抖音號:
        法律聲明: 本網站中的廠商資料,供貨、需求、合作、企業新聞等信息由本網站的注冊會員發布,其合法性和真實性由各個發布信息的注冊會員負責。
        經營許可證編號:粵B2-20210752號丨備案號:粵ICP備09029740號-21
        粵公網安備 44011102001662號
        技術支持:廣東金蜘蛛電腦網絡有限公司
        Golden Spider Network Co., Ltd.