<span id="49snh"><em id="49snh"><dl id="49snh"></dl></em></span>
  • <sub id="49snh"><rt id="49snh"><form id="49snh"></form></rt></sub>
      1. 91在线小视频,奇骏影院在线观看免费版,另类av,婷婷五月色,婷婷久久久久,欧美人妖性爱,91在线小视频,老司机精品网
        專業設備賣場
        海外社媒推廣
        表面處理
        達克羅涂覆
        墊圈,擋圈
        螺栓
        鉚釘
        螺母
        展會信息

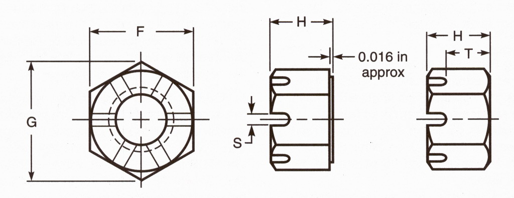
        ASME/ANSI B18.2.2 1987(R 1999)

        開槽大六角螺母

        Heavy Hex Slotted Nuts
        產品相關供貨商

        告訴我在“金蜘蛛”看到,將給您優惠

        上海集優標五高強度緊固件有限公司
        人氣1年
        人氣1年
        ·可提供8萬余種緊固件,常備庫存超1萬噸,年銷售100億件。 ·可提供包括國標、歐標、美標、澳標和日標等各類標準的產品。 ·可提供從栓、帽、墊到釘、銷、鍵等11個大類的緊固件產品。 ·可提...
        地區:靜安 電話: 021-63177707-1534 ; 0...
        永年縣天邦緊固件有限公司
        人氣1年
        人氣1年
        螺栓,螺母,平墊,彈墊,牙條,地腳,預埋件,車修,膨脹類產品
        地區:永年 電話: 186-31091188
        北京鑫天云緊固件有限公司
        人氣1年
        人氣1年
        專業緊固件生產基地;各種材質的標準及非標緊固件。螺栓 螺柱 螺母 螺釘 墊圈 木螺釘 自攻釘 銷 鉚釘 擋圈 焊釘 鋼絲螺套; 六角法蘭螺栓及螺母、圓頭內六、平頭內六角、鋼結構用大六角及扭剪系列、尼龍...
        地區:北京 電話: 010-13901189990 1390...
        廣州盛凌英貿易有限公司
        人氣1年
        人氣1年
        纖維板釘, 干壁釘,自攻釘,機螺釘, ,牙條,螺母,
        地區:嘉興 電話: 020-87694686
        溫州市金盛緊固件有限公司
        人氣1年
        人氣1年
        尼龍防松自鎖螺母、英美制防松螺母、法蘭面尼龍防松螺母(DIN985, DIN982,NE,NTE,DIN6926,DIN6927)、蝶形螺母、翼形螺母(DIN315,DIN314)、法蘭螺母、防滑螺母...
        地區:溫州 電話: 0577-86352209
        無錫禾陽國際貿易有限公司
        人氣1年
        人氣1年
        釘類 螺絲類 刷子和膠輥,膠圈,童車類 鉸鏈和門鎖類 貨架,鐵絲、網和旅游制品 ...
        地區:無錫 電話: 0510-82752690,8276556...
        寧波市鄞州東明不銹鋼標準件有限公司
        人氣1年
        人氣1年
        本公司專業生產高品質的304、316德制螺栓、平墊、彈墊、美制螺母,及定做各類不銹鋼非標準件。 螺栓類: DIN933、GB5783外六角全螺紋螺栓、DIN931、GB5782外六角半螺紋螺栓、D...
        地區:寧波 電話: 0574-56155627,1339663...
        瑞安市繁盛緊固件有限公司
        人氣1年
        人氣1年
        不銹鋼六角螺帽、防松螺帽、法蘭螺帽、蓋形螺帽、焊接螺帽、特殊螺帽、各類套管、鏈滌滾子等各種緊定螺絲(止付螺絲)....
        地區:溫州 電話: 0577-65538111 1565861...
        上海強毅緊固件有限公司
        人氣1年
        人氣1年
        我公司主要生產尼龍防松蓋型螺母(DIN986)、蓋型螺母(DIN1587.JISB1183)、四方焊接螺母(DIN928.JISB1196)、六角焊接螺母(DIN929、GB13681)、法蘭防松螺母...
        地區:金山 電話: 021-57277528,57277525...
        浙江超博爾五金股份有限公司
        人氣1年
        人氣1年
        本公司專業生產:各種級別德標/美標/國標/奧標外六角螺栓,內六角螺栓,馬車螺栓,六角法蘭面螺栓,方頭螺栓 以及部分非標螺栓。螺紋直徑從M5到M30(1/4“到1”),長度從8MM到300MM。...
        地區:海鹽 電話: 0573-86408568,0573-86...
        業務聯系/技術支持
        公司名稱:廣東金蜘蛛電腦網絡有限公司
        聯系電話:020-38861363 38861343
        電子郵箱:info@jzzfastener.com
        QQ:1767548327
        公眾號:
        視頻號:
        抖音號:
        法律聲明: 本網站中的廠商資料,供貨、需求、合作、企業新聞等信息由本網站的注冊會員發布,其合法性和真實性由各個發布信息的注冊會員負責。
        經營許可證編號:粵B2-20210752號丨備案號:粵ICP備09029740號-21
        粵公網安備 44011102001662號
        技術支持:廣東金蜘蛛電腦網絡有限公司
        Golden Spider Network Co., Ltd.